|
種屬 |
中國倉鼠 |
|
別稱 |
Chinese Hamster Lung |
|
組織來源 |
肺 |
|
傳代比例/細胞消化 |
1:2傳代,消化2-3分鐘 |
|
完全培養基配置 |
DMEM培養基;10%胎牛血清;1%雙抗 |
|
簡介 |
該細胞系來源于一雌性中國倉鼠的肺組織。1970年由Koyama等建立。廣泛應用于化學物質誘導的染色體畸變檢測。 |
|
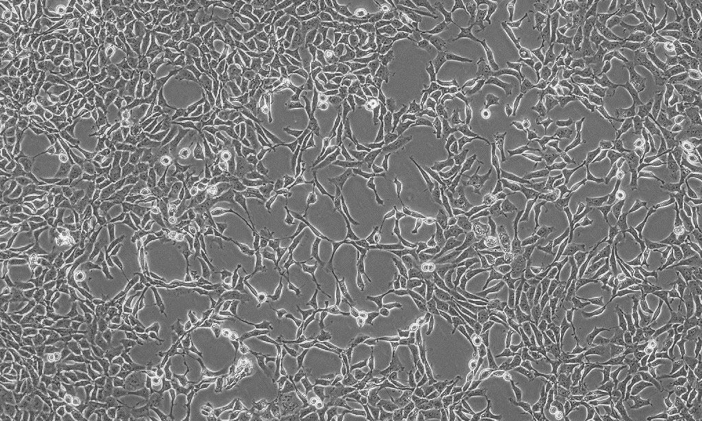
形態 |
成纖維細胞樣 |
|
生長特征 |
貼壁生長 |
|
倍增時間 |
每周 2 至 3 次 |
|
基因表達 |
human tissue plasminogen activator(t-PA) |
|
培養條件 |
氣相:空氣,95%;二氧化碳,5%。 溫度:37攝氏度,培養箱濕度為70%-80%。 |
|
凍存條件 |
凍存液:90%FBS,DMSO 10%, 或使用非程序凍存液:官網貨號JY-H040 |
|
保藏機構 |
ECACC; 87111906 |
|
產品使用 |
僅限于科學研究,不可作為動物或人類疾病的治療產品使用。 |
