|
種屬 |
小鼠 |
|
別稱 |
B-16; B16 melanoma; B16 subline B78; B78 |
|
組織來源 |
皮膚 |
|
疾病 |
小鼠黑色素瘤 |
|
傳代比例/細胞消化 |
1:2傳代,消化1-2分鐘 |
|
完全培養基配置 |
RPMI1640培養基;10% 胎牛血清;1%雙抗 |
|
簡介 |
小鼠該細胞源于C57BL/6J小鼠黑色素瘤 , 可以產生黑色素 , 同基因小鼠體內移植可成瘤 |
|
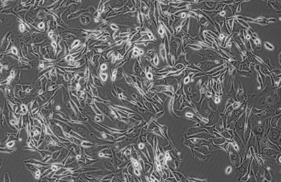
形態 |
成纖維細胞樣 |
|
生長特征 |
貼壁生長 |
|
倍增時間 |
每周 2 至 3 次 |
|
培養條件 |
氣相:空氣,95%;二氧化碳,5%。 溫度:37攝氏度,培養箱濕度為70%-80%。 |
|
凍存條件 |
凍存液:90%FBS,DMSO 10%, 或使用非程序凍存液:官網貨號JY-H040 |
|
保藏機構 |
JCRB; JCRB0202 |
|
產品使用 |
僅限于科學研究,不可作為動物或人類疾病的治療產品使用。 |
